По запросу
Артикул: 53865
Это многоступечатые насосы погружного типа и способны поднять воду на очень большую высоту.
Похожие товары
Вес, кг
111,0
Артикул
53865
Длина кабеля питания насоса, м
10,0
Максимальная высота нагнетания, м
37,0
Материал
нержавеющая сталь
Производительность макс., л/ч
282000
Размеры высота, мм
314
Размеры длина, мм
1544
Размеры ширина, мм
310
Сила тока, А
42
Тип установки
Погружная
Энергопотребление насоса, Вт
18500
Номинальное напряжение
400 В / 50 Гц
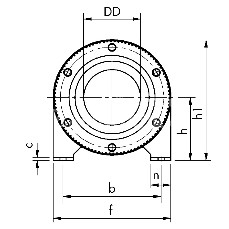
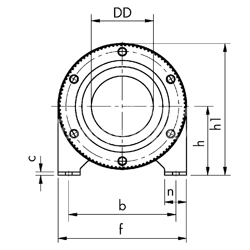
DD
6"
Количество фаз, шт
3
b, мм
274
c, мм
4
d, мм
310
d1, мм
247
d2, мм
138
e, мм
120
e1, мм
96
f, мм
314
h, мм
165
h1, мм
322
k, мм
1250
L, мм
1544
m, мм
166
n, мм
40
n1, мм
44
o, мм
144
w, мм
1304
s, мм
11
Тип запуска
Star-delta start
Похожие варианты
27963, 27963, 27965, 27966, 27967, 27968, 27969, 27970, 27971, 27972, 27973, 27974, 27975, 27976
- Чрезвычайно компактная и низкая конструкция
- Многоступенчатый насос погружного типа
- Большая высота подачи воды
- Большая поверхность фильтрующих корзин
- Отличная устойчивость
- Надежный электродвигатель, работающий на смазке и герметично закрытый
- Все компоненты сделаны из нержавеющей стали
- Страница каталога
- Смотреть каталог
- Инструкция DOK_PRD_GA_53865-SPA-280-13_#SALL_#AQU_#V1.pdf (PDF)
- Страница каталога DOK_PRD_KS_53834-SPA22-23_#SEN_#AQU_#V1.pdf (PDF)
- Страница каталога DOK_PRD_KS_53858-SPA162-1-13_#SEN_#AQU_#V1.pdf (PDF)
- Каталог производительности DOK_PRD_LV_53865-SPA28013_#SEN_#AQU_#V1.pdf (PDF)
- Чертеж с размерами ZEI_PRD_MA_53834-SPA22-23-002_#SALL_#AQU_#V1.tif (TIF)
- Чертеж с размерами ZEI_PRD_MA_53834-SPA22-23-003_#SALL_#AQU_#V1.tif (TIF)
- Чертеж с размерами ZEI_PRD_MA_53834-SPA22-23-004_#SALL_#AQU_#V1.tif (TIF)
- 3D чертежи ZEI_PRD_3D_53865-SPA280-13-001_#SALL_#ADWG_#V1.dwg (DWG)
- 3D чертежи ZEI_PRD_3D_53865-SPA280-13-001_#SALL_#ARFA_#V1.rfa (RFA)
- 3D чертежи ZEI_PRD_3D_53865-SPA280-13-001_#SALL_#ASTP_#V1.stp (STP)
- 2D чертежи ZEI_PRD_AC_53865-SPA280-13-001_#SALL_#ADWG_#V1.dwg (DWG)
- 2D чертежи ZEI_PRD_AC_53865-SPA280-13-001_#SALL_#ADXF_#V1.dxf (DXF)
Отзывы и вопросы
Нашли дешевле?
Определились с выбором и хотите сделать заказ? И нашли точно такой же товар в другом магазине по цене которая ниже нашей? Оставьте ссылку на этот же товар в другом магазине, и свой номер телефона. И мы обязательно сделаем Вам предложение лучше!










