По запросу
Артикул: 53834
Это многоступечатые насосы погружного типа и способны поднять воду на очень большую высоту.
Похожие товары
Вес, кг
20,0
Артикул
53834
Длина кабеля питания насоса, м
10,0
Максимальная высота нагнетания, м
22,0
Материал
нержавеющая сталь
Производительность макс., л/ч
21000
Размеры высота, мм
229
Размеры длина, мм
680
Размеры ширина, мм
225
Сила тока, А
2,75
Тип установки
Погружная
Энергопотребление насоса, Вт
1100
Номинальное напряжение
400 В / 50 Гц
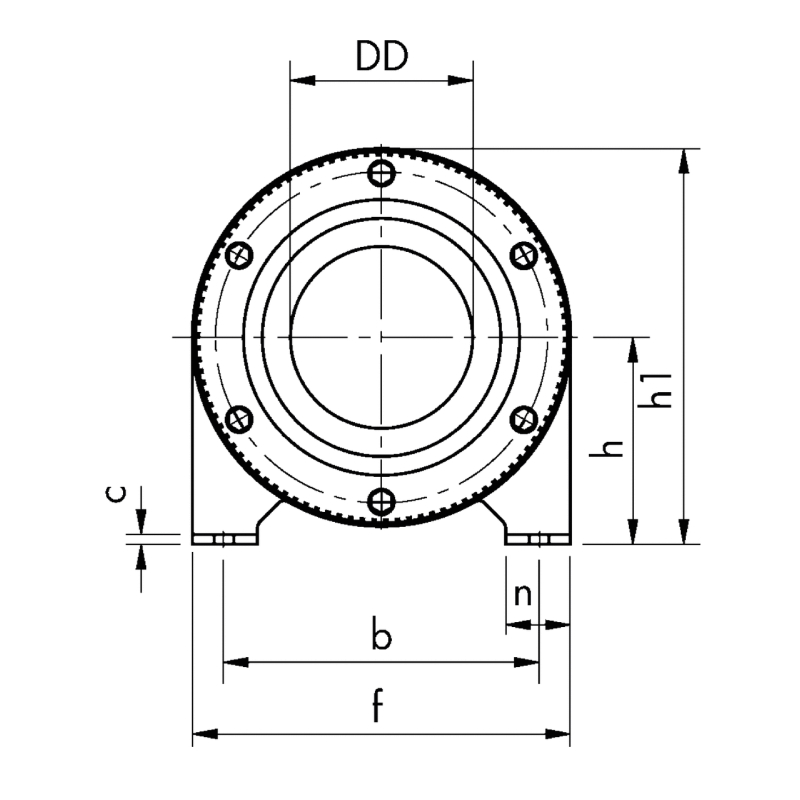
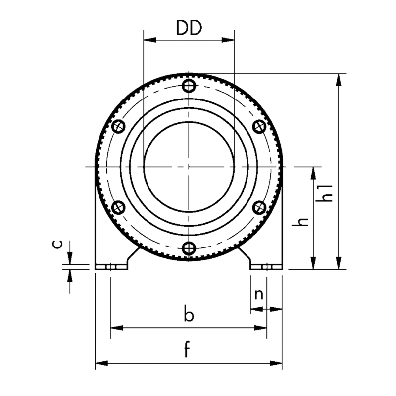
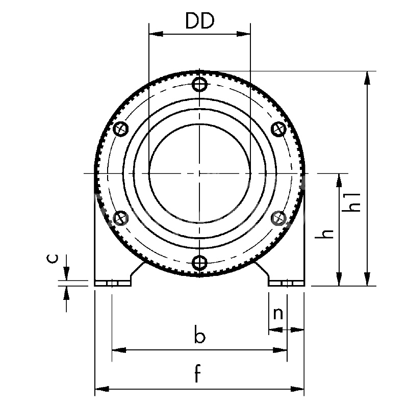
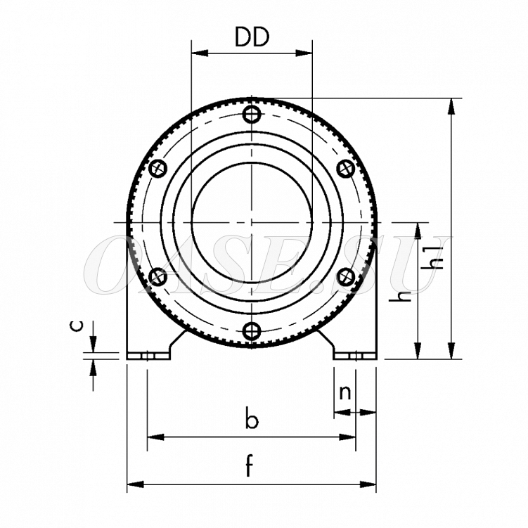
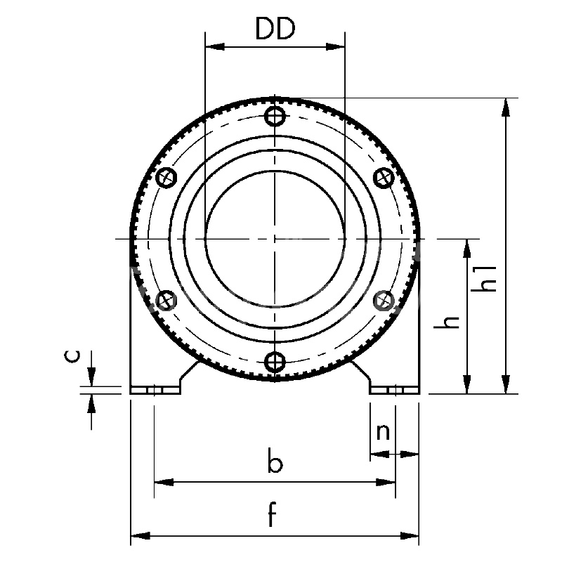
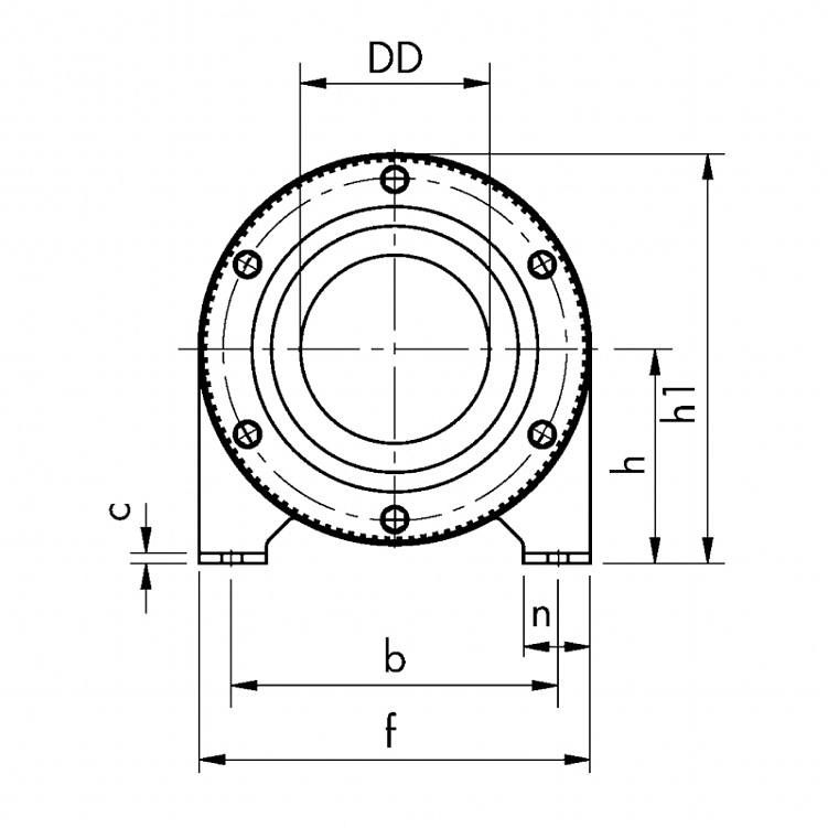
DD
2 ½"
Количество фаз, шт
3
b, мм
189
c, мм
4
d, мм
225
d1, мм
131
d2, мм
95
e, мм
80
e1, мм
57
f, мм
229
h, мм
123
h1, мм
237
k, мм
500
L, мм
680
m, мм
92
n, мм
40
n1, мм
44
o, мм
69
w, мм
11
s, мм
554
Тип запуска
прямой
Похожие варианты
27974, 27973, 27972, 27971, 27970, 27969, 27968, 27967, 27966, 27965, 27964, 27963, 27975, 27974, 27973, 27972, 27971, 27970, 27969, 27968, 27967, 27966, 27965, 27964, 27963
- Чрезвычайно компактная и низкая конструкция
- Многоступенчатый насос погружного типа
- Большая высота подачи воды
- Большая поверхность фильтрующих корзин
- Отличная устойчивость
- Надежный электродвигатель, работающий на смазке и герметично закрытый
- Все компоненты сделаны из нержавеющей стали
- Страница каталога
- Смотреть каталог
- Инструкция DOK_PRD_GA_SPA22-SPA280-allgemeine-Doku-D-E-02_#SALL_#AQU_#V1.pdf (PDF)
- Страница каталога DOK_PRD_KS_53858-SPA162-1-13_#SEN_#AQU_#V1.pdf (PDF)
- Страница каталога DOK_PRD_KS_53834-SPA22-23_#SEN_#AQU_#V1.pdf (PDF)
- Каталог производительности DOK_PRD_LV_53834-SPA2223_#SEN_#AQU_#V1.pdf (PDF)
- Чертеж с размерами ZEI_PRD_MA_53834-SPA22-23-003_#SALL_#AQU_#V1.tif (TIF)
- Чертеж с размерами ZEI_PRD_MA_53834-SPA22-23-002_#SALL_#AQU_#V1.tif (TIF)
- Чертеж с размерами ZEI_PRD_MA_53834-SPA22-23-004_#SALL_#AQU_#V1.tif (TIF)
- 3D чертежи ZEI_PRD_3D_53834-SPA22-23-001_#SALL_#ADWG_#V1.dwg (DWG)
- 3D чертежи ZEI_PRD_3D_53834-SPA22-23-001_#SALL_#ARFA_#V1.rfa (RFA)
- 3D чертежи ZEI_PRD_3D_53834-SPA22-23-001_#SALL_#ASTP_#V1.stp (STP)
- 2D чертежи ZEI_PRD_AC_53834-SPA22-23-001_#SALL_#ADWG_#V1.dwg (DWG)
- 2D чертежи ZEI_PRD_AC_53834-SPA22-23-001_#SALL_#ADXF_#V1.dxf (DXF)
Отзывы и вопросы
Нашли дешевле?
Определились с выбором и хотите сделать заказ? И нашли точно такой же товар в другом магазине по цене которая ниже нашей? Оставьте ссылку на этот же товар в другом магазине, и свой номер телефона. И мы обязательно сделаем Вам предложение лучше!










