По запросу
Артикул: 53835
Это многоступечатые насосы погружного типа и способны поднять воду на очень большую высоту.
Похожие товары
Вес, кг
28,0
Артикул
53835
Длина кабеля питания насоса, м
10,0
Максимальная высота нагнетания, м
33,0
Материал
нержавеющая сталь
Производительность макс., л/ч
21600
Размеры высота, мм
229
Размеры длина, мм
888
Размеры ширина, мм
225
Сила тока, А
6
Тип установки
Погружная
Энергопотребление насоса, Вт
2200
Номинальное напряжение
400 В / 50 Гц
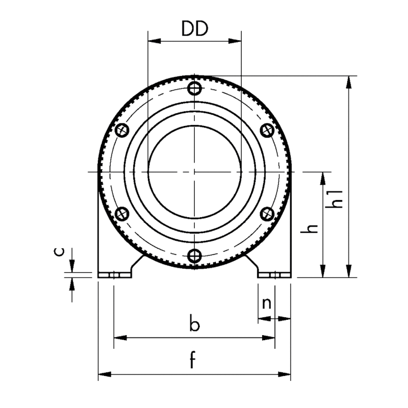
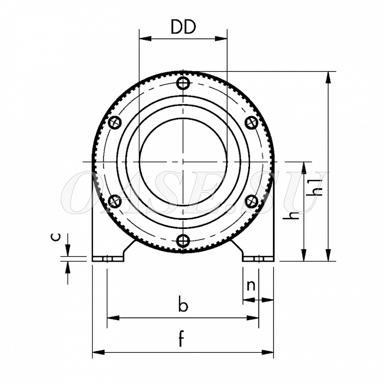
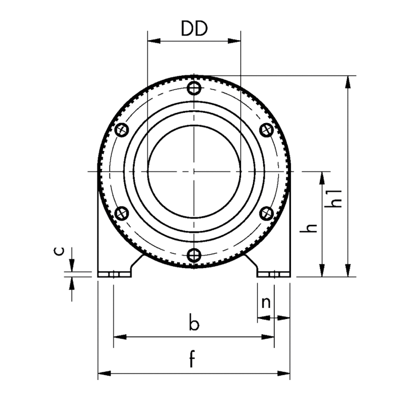
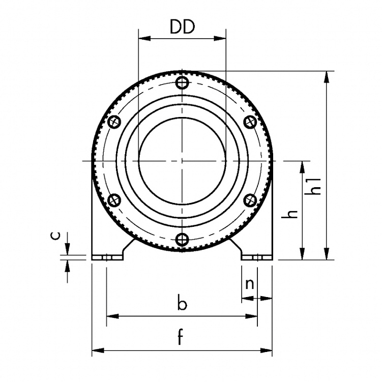
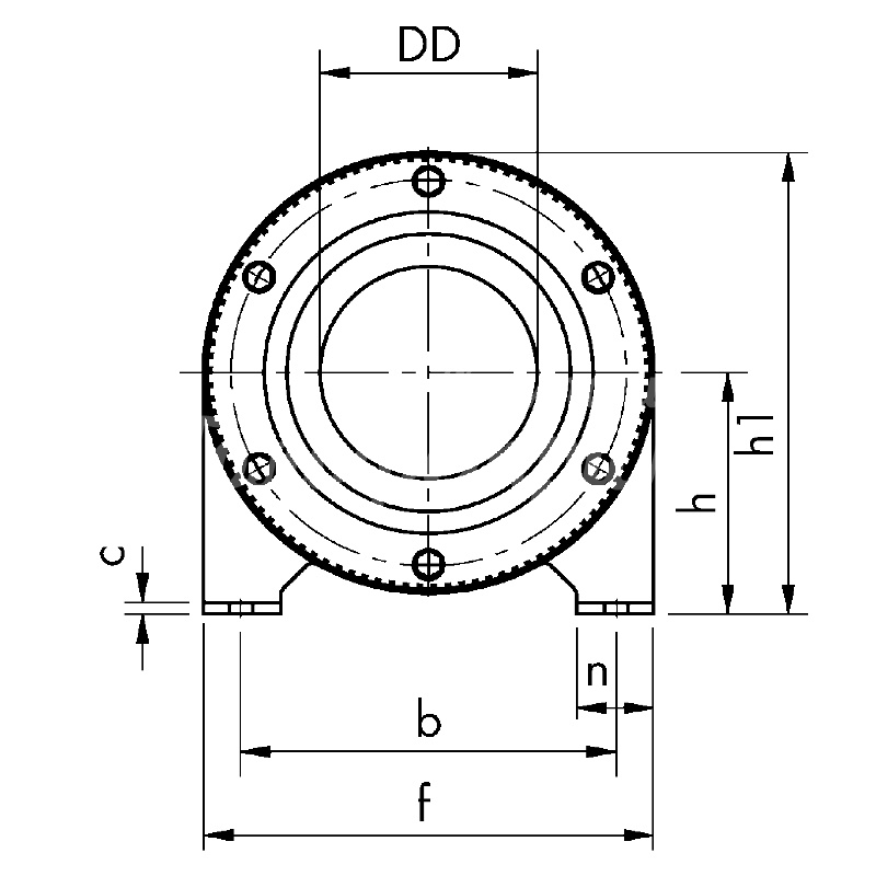
DD
2 ½"
Количество фаз, шт
3
b, мм
189
c, мм
4
d, мм
225
d1, мм
131
d2, мм
95
e, мм
80
e1, мм
57
f, мм
229
h, мм
123
h1, мм
237
k, мм
500
L, мм
888
m, мм
300
n, мм
40
n1, мм
44
o, мм
277
w, мм
554
s, мм
11
Тип запуска
прямой
Похожие варианты
27963, 27964, 27965, 27966, 27967, 27968, 27969, 27970, 27971, 27972, 27973, 27974, 27963, 27964, 27965, 27966, 27967, 27968, 27969, 27970, 27971, 27972, 27973, 27974, 27976
- Чрезвычайно компактная и низкая конструкция
- Многоступенчатый насос погружного типа
- Большая высота подачи воды
- Большая поверхность фильтрующих корзин
- Отличная устойчивость
- Надежный электродвигатель, работающий на смазке и герметично закрытый
- Все компоненты сделаны из нержавеющей стали
- Страница каталога
- Смотреть каталог
- Инструкция DOK_PRD_GA_53835-SPA-22-33_#SALL_#AQU_#V1.pdf (PDF)
- Страница каталога DOK_PRD_KS_53834-SPA22-23_#SEN_#AQU_#V1.pdf (PDF)
- Страница каталога DOK_PRD_KS_53858-SPA162-1-13_#SEN_#AQU_#V1.pdf (PDF)
- Каталог производительности DOK_PRD_LV_53835-SPA2233_#SEN_#AQU_#V1.pdf (PDF)
- Чертеж с размерами ZEI_PRD_MA_53834-SPA22-23-002_#SALL_#AQU_#V1.tif (TIF)
- Чертеж с размерами ZEI_PRD_MA_53834-SPA22-23-003_#SALL_#AQU_#V1.tif (TIF)
- Чертеж с размерами ZEI_PRD_MA_53834-SPA22-23-004_#SALL_#AQU_#V1.tif (TIF)
- 3D чертежи ZEI_PRD_3D_53835-SPA22-33-001_#SALL_#ADWG_#V1.dwg (DWG)
- 3D чертежи ZEI_PRD_3D_53835-SPA22-33-001_#SALL_#ARFA_#V1.rfa (RFA)
- 3D чертежи ZEI_PRD_3D_53835-SPA22-33-001_#SALL_#ASTP_#V1.stp (STP)
- 2D чертежи ZEI_PRD_AC_53835-SPA22-33-001_#SALL_#ADWG_#V1.dwg (DWG)
- 2D чертежи ZEI_PRD_AC_53835-SPA22-33-001_#SALL_#ADXF_#V1.dxf (DXF)
Отзывы и вопросы
Нашли дешевле?
Определились с выбором и хотите сделать заказ? И нашли точно такой же товар в другом магазине по цене которая ниже нашей? Оставьте ссылку на этот же товар в другом магазине, и свой номер телефона. И мы обязательно сделаем Вам предложение лучше!










