По запросу
Товара нет в наличии
Артикул: 53841
Это многоступечатые насосы погружного типа и способны поднять воду на очень большую высоту.
Вес, кг
37,0
Артикул
53841
Длина кабеля питания насоса, м
10,0
Максимальная высота нагнетания, м
43,0
Материал
нержавеющая сталь
Производительность макс., л/ч
36000
Размеры высота, мм
229
Размеры длина, мм
1211
Размеры ширина, мм
225
Сила тока, А
9,6
Тип установки
Погружная
Энергопотребление, Вт
4000
Номинальное напряжение
400 В / 50 Гц
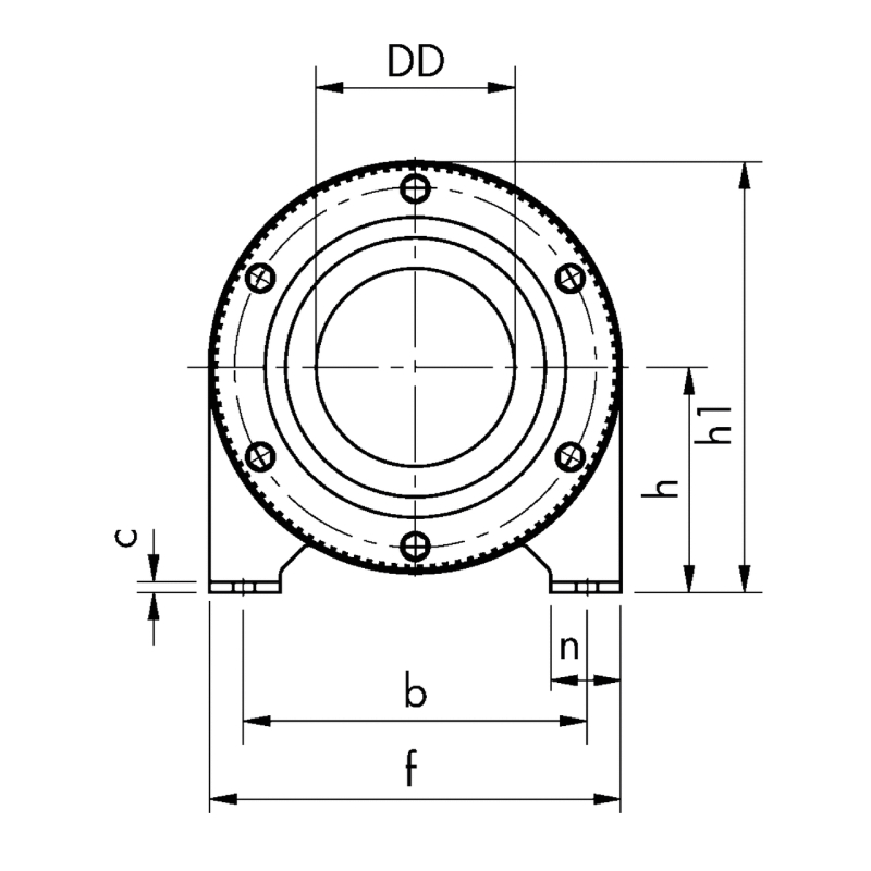
DD
3"
Количество фаз, шт
3
b, мм
187
c, мм
4
d, мм
225
d1, мм
131
d2, мм
95
e, мм
80
e1, мм
57
f, мм
229
h, мм
123
h1, мм
237
k, мм
750
L, мм
1211
m, мм
373
n, мм
40
n1, мм
44
o, мм
350
w, мм
804
s, мм
11
Тип запуска
прямой
- Чрезвычайно компактная и низкая конструкция
- Многоступенчатый насос погружного типа
- Большая высота подачи воды
- Большая поверхность фильтрующих корзин
- Отличная устойчивость
- Надежный электродвигатель, работающий на смазке и герметично закрытый
- Все компоненты сделаны из нержавеющей стали
|
Страница каталога |
DOK_PRD_KS_53834-SPA22-23_#SEN_#AQU_#V1.pdf (PDF) |
|---|---|
|
Список замен |
DOK_PRD_EL_53841-SPA-35-43_#SALL_#AQU_#V1.pdf (PDF) |
|
Каталог производительности |
DOK_PRD_LV_53841-SPA3543_#SEN_#AQU_#V1.pdf (PDF) |
| 3D чертежи |
ZEI_PRD_3D_53841-SPA35-43-001_#SALL_#ADWG_#V1.dwg (DWG) ZEI_PRD_3D_53841-SPA35-43-001_#SALL_#ARFA_#V1.rfa (RFA) ZEI_PRD_3D_53841-SPA35-43-001_#SALL_#ASTP_#V1.stp (STP) |
| 2D чертежи |
ZEI_PRD_AC_53841-SPA35-43-001_#SALL_#ADWG_#V1.dwg (DWG) ZEI_PRD_AC_53841-SPA35-43-001_#SALL_#ADXF_#V1.dxf (DXF) |
Отзывы и вопросы
Нашли дешевле?
Определились с выбором и хотите сделать заказ? И нашли точно такой же товар в другом магазине по цене которая ниже нашей? Оставьте ссылку на этот же товар в другом магазине, и свой номер телефона. И мы обязательно сделаем Вам предложение лучше!










