По запросу
Товара нет в наличии
Артикул: 53858
Это многоступечатые насосы погружного типа и способны поднять воду на очень большую высоту.
Вес, кг
85,0
Артикул
53858
Длина кабеля питания насоса, м
10,0
Максимальная высота нагнетания, м
19,0
Материал
нержавеющая сталь
Производительность макс., л/ч
144000
Размеры высота, мм
314
Размеры длина, мм
1165
Размеры ширина, мм
310
Сила тока, А
17,6
Тип установки
Погружная
Энергопотребление насоса, Вт
7500
Номинальное напряжение
400 В / 50 Гц
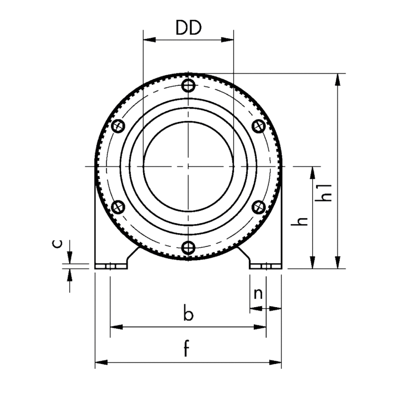
DD
6"
Количество фаз, шт
3
b, мм
274
c, мм
4
d, мм
310
d1, мм
218
d2, мм
138
e, мм
120
e1, мм
92
f, мм
314
h, мм
165
h1, мм
322
k, мм
750
L, мм
1165
m, мм
287
n, мм
40
n1, мм
44
o, мм
269
w, мм
804
s, мм
11
Тип запуска
Star-delta start
- Чрезвычайно компактная и низкая конструкция
- Многоступенчатый насос погружного типа
- Большая высота подачи воды
- Большая поверхность фильтрующих корзин
- Отличная устойчивость
- Надежный электродвигатель, работающий на смазке и герметично закрытый
- Все компоненты сделаны из нержавеющей стали
| Инструкция |
DOK_PRD_GA_53864-SPA-280-1-13_#SALL_#AQU_#V1.pdf (PDF) |
|---|---|
|
Страница каталога |
DOK_PRD_KS_53834-SPA22-23_#SEN_#AQU_#V1.pdf (PDF) DOK_PRD_KS_53858-SPA162-1-13_#SEN_#AQU_#V1.pdf (PDF) |
|
Каталог производительности |
DOK_PRD_LV_53864-SPA280113_#SEN_#AQU_#V1.pdf (PDF) |
| Чертеж с размерами |
ZEI_PRD_MA_53834-SPA22-23-002_#SALL_#AQU_#V1.tif (TIF) ZEI_PRD_MA_53834-SPA22-23-003_#SALL_#AQU_#V1.tif (TIF) ZEI_PRD_MA_53834-SPA22-23-004_#SALL_#AQU_#V1.tif (TIF) |
| 3D чертежи |
ZEI_PRD_3D_53864-SPA280-1-13-001_#SALL_#ADWG_#V1.dwg (DWG) ZEI_PRD_3D_53864-SPA280-1-13-001_#SALL_#ARFA_#V1.rfa (RFA) ZEI_PRD_3D_53864-SPA280-1-13-001_#SALL_#ASTP_#V1.stp (STP) |
| 2D чертежи |
ZEI_PRD_AC_53864-SPA280-1-13-001_#SALL_#ADWG_#V1.dwg (DWG) ZEI_PRD_AC_53864-SPA280-1-13-001_#SALL_#ADXF_#V1.dxf (DXF) |
Отзывы и вопросы
Нашли дешевле?
Определились с выбором и хотите сделать заказ? И нашли точно такой же товар в другом магазине по цене которая ниже нашей? Оставьте ссылку на этот же товар в другом магазине, и свой номер телефона. И мы обязательно сделаем Вам предложение лучше!










