По запросу
Артикул: 46982
Multi Directional Drive XL 3D / DMX / 02 - это самый большой трехмерный поворотный привод OASE с вращающейся осью. Он впечатляет феноменальными и динамичными эффектами воды.
Вес, кг
250,0
Артикул
46982
DMX\RDM подключение
да
Длина кабеля питания 24 В, м
10,0
Материал
нержавеющая сталь
Подключение, мм - дюйм
75
Рабочее давление макс., бар
4,0
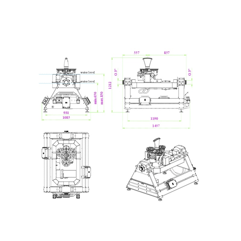
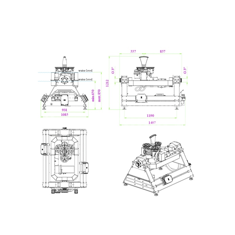
Размеры высота, мм
1085
Размеры длина, мм
1493
Размеры ширина, мм
884
Сила тока, А
25
Степень защиты IP
68
Энергопотребление, Вт
600
Номинальное напряжение
24 V / DC
Глубина погружения, м
0,65 - 0,85
- Диапазон поворота: макс. 180 ° по оси X и 165 ° по оси Y при уровне воды 650 мм. Значение по умолчанию - 150 ° по осям X и Y при уровне воды 850 мм.
- Парковочное положение: форсунку можно полностью спрятать под поверхностью воды на уровне воды 850 мм с диапазоном поворота 150 ° по осям X и Y.
- Ось Z 360 ° бесконечное вращение в обоих направлениях, индивидуально управляемое, 360 ° / с
- Подходит для различных форм форсунок, высота фонтана достигает 9 м с Fan Jet 30 - 11 E.
- Поставляется с 3 предварительно собранными подводными блоками питания 250 24 В / 01 (50733)
- G 3 "- насадка с внутренней резьбой, Ø 75 (напорная труба с внешней резьбой 2 x G 3")
- Прочная конструкция из нержавеющей стали
- Подходит для работы в пресной воде, воде бассейна и морской воде
- Управляется с помощью контроллера OASE DMX / RDM (WECS II) (не входит в комплект поставки)
| DMX Channel 1 x axe |
|
Position |
|---|---|---|
| DMX Channel 2 x axe |
|
Fine |
| DMX Channel 3 x axe |
|
Speed |
| DMX Channel 4 x axe |
|
Function |
| DMX Channel 1 y axe |
|
Position |
| DMX Channel 2 y axe |
|
Fine |
| DMX Channel 3 y axe |
|
Speed |
| DMX Channel 4 y axe |
|
Function |
| DMX Channel 1 rotation |
|
Position |
| DMX Channel 2 rotation |
|
Fine |
| DMX Channel 3 rotation |
|
Speed |
| DMX Channel 4 rotation |
|
Function |
- Инструкции
- Чертеж с размерами ZEI_PRD_MA_46982-Multi-Directional-Drive-XL-3D-DMX-02-001_#SALL_#AQU_#V1.pdf (PDF)
- 3D чертежи ZEI_PRD_3D_46982-Multi-Directional-Drive-XL-3D-DMX-02-001_#SALL_#ADWG_#V1.dwg (DWG)
- 3D чертежи ZEI_PRD_3D_46982-Multi-Directional-Drive-XL-3D-DMX-02-001_#SALL_#ASTP_#V1.stp (STP)
- 2D чертежи ZEI_PRD_AC_46982-Multi-Directional-Drive-XL-3D-DMX-02-001_#SALL_#ADWG_#V1.dwg (DWG)
- 2D чертежи ZEI_PRD_AC_46982-Multi-Directional-Drive-XL-3D-DMX-02-001_#SALL_#ADXF_#V1.dxf (DXF)
- 2D чертежи ZEI_PRD_AC_46982-Multi-Directional-Drive-XL-3D-DMX-02-Faecherdueser-002_#SALL_#ADWG_#V1.dwg (DWG)
- 2D чертежи ZEI_PRD_AC_46982-Multi-Directional-Drive-XL-3D-DMX-02-Faecherdueser-002_#SALL_#ADXF_#V1.dxf (DXF)
Отзывы и вопросы
Нашли дешевле?
Определились с выбором и хотите сделать заказ? И нашли точно такой же товар в другом магазине по цене которая ниже нашей? Оставьте ссылку на этот же товар в другом магазине, и свой номер телефона. И мы обязательно сделаем Вам предложение лучше!










